Reka bentuk asas acuan suntikan (i)
Pemilihan struktur acuan adalah sangat penting. Struktur acuan menentukan kitaran pencetakan suntikan, kos, proses pengacuan suntikan bahagian plastik dan kos pengeluaran bahagian plastik, dan sebagainya. Oleh itu, berhati -hati mesti dilaksanakan apabila memilih struktur acuan.
(1) acuan dua plat tanpa bingkai:
Acara yang sesuai: Hasil ini boleh digunakan apabila bahagian plastik rata, kawasan unjuran lateral tidak besar dan strukturnya mudah. Walau bagaimanapun, perlu diperhatikan bahawa empat lajur kedudukan harus ditambah masing -masing antara pukulan dan mati dan templat.
Ciri -ciri: Templat depan dan belakang tidak memerlukan pembukaan bingkai. Templat depan dan belakang lebih nipis daripada acuan tradisional dan tidak memerlukan bingkai acuan. Kitaran pemprosesan adalah pendek dan kosnya rendah. Walau bagaimanapun, kedudukan tidak boleh dipercayai seperti acuan tradisional. Umumnya, kunci sisi lurus atau lajur kedudukan perlu ditambah di antara sisipan acuan bergerak dan tetap.
(2) Saluran aliran biasa dua acuan plat:
1. Lubang K.O tidak boleh lebih kecil daripada diameter batang atas mesin pengacuan suntikan.
2. Apabila melancarkan strok l, pastikan tulang rusuk yang mengukuhkan dapat dikeluarkan sepenuhnya.
3. Apabila pencetakan suntikan automatik diperlukan, adalah perlu untuk memastikan bahawa bahagian plastik dapat dikeluarkan sepenuhnya dari rongga. Apabila mengendalikan separa automatik atau secara manual, adalah perlu untuk memastikan bahagian plastik dapat dikeluarkan dengan mudah.
4. Radius sfera Sr lengan pintu mesti lebih besar daripada radius muncung.

Sampah plastik boleh membentuk pengeluar di China (jfmoulds.com)
(3) acuan dua plat nozzle hot jet tunggal:
1. Ia sesuai untuk produk besar, dan plastik yang digunakan adalah ABS, PP, GP, dll.
2. Kabel peralatan kawalan terma pada muncung jet haba mesti berada di dalam alur. Mereka disambungkan ke bekalan kuasa di luar acuan melalui acuan.
3. Harus ada air penyejuk yang mengalir berhampiran muncung jet panas.
4. Kesan pengembangan haba mesti diambil kira dalam reka bentuk.
5. Langkah berjaga-jaga yang lain adalah sama seperti yang digunakan untuk aliran umum dua plat acuan.

Kereta Mould_Taizhou Jiefeng acuan co, Ltd. (jfmoulds.com)
(4) Acuan dua plat untuk plat pelari panas multi-titik :
1. Ia sesuai untuk produk besar, dengan satu acuan dan satu rongga atau pelbagai rongga dalam satu acuan. Untuk lebih baik mengisi rongga dan mengurangkan ubah bentuk peperangannya, pemakanan berbilang glue biasanya diterima pakai.
2. Peralatan pemanasan dipasang pada plat pelari panas.
3. Kabel peralatan terma pada muncung jet panas plat pelari panas mesti berada di dalam alur dan disambungkan ke bekalan kuasa di luar acuan melalui acuan.
4. Harus ada air penyejuk yang mengalir berhampiran muncung jet panas.
5. Kesan pengembangan haba mesti diambil kira dalam reka bentuk.
6. Langkah berjaga-jaga yang lain adalah sama seperti yang digunakan untuk aliran umum dua plat acuan.

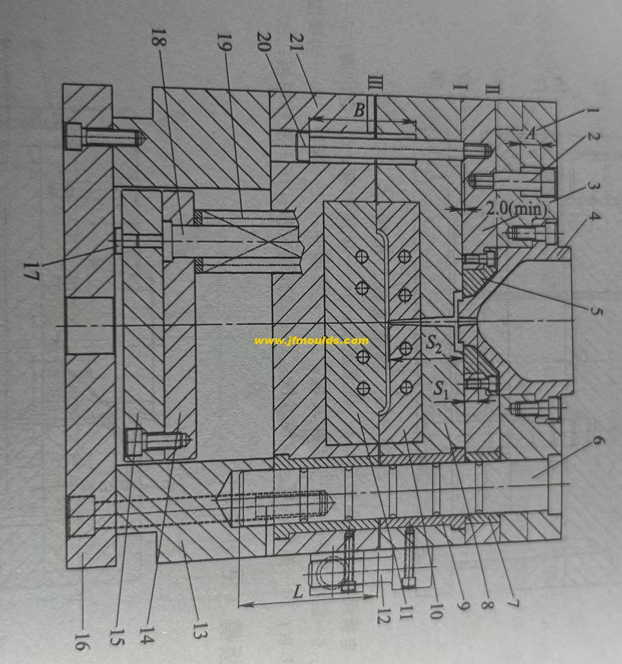
(5) acuan tiga papan standard:
When designing, the following relationships must be guaranteed:
B≥S1+S2+ (20-30mm),B≥100mm,L≥A+B,A takes 8-12mm
In the formula, A represents the stroke of the limit screw; B - Small pull rod stroke: L - Length of the pull rod extending out of the parting surface of the fixed mold; S1 - Length of the main channel; S2 - The length of the split channel. Other precautions are the same as those for the common flow channel two-plate mold.

(6) Simplified three-plate mold:
The simplified three-plate mold has four fewer moving mold guide pins than the standard three-plate mold. The fixed mold guide pins must simultaneously push the flow channel plates, guiding both the fixed mold A plate and the moving mold B plate. L≥A+B+20mm. Other precautions are the same as those for the standard three-plate mold. The precision and rigidity of the simplified three-plate mold are inferior to those of the standard three-plate mold, and its service life is also not as good as that of the standard three-plate mold.

(7) Fake three-board mold:
A false three-board mold is one where the fixed mold part has no open mold surface, while the moving mold part adds one or more open mold surfaces. The mold opening distance A depends on the plastic part. It is often used in situations such as inclined core-pulling of moving molds, secondary demolding and forced demolding.

(8) Second board and half mold
The second half mold is to add a push plate to the fixed mold part. It is used in situations where the fixed mold is pushed out, the fixed mold has a lateral core ejection, or to prevent plastic parts from adhering to the fixed mold core. The mold opening distance A depends on the shape of the plastic part and the depth to which the mold core is tightly wrapped.

2025-08-11
Penyelesaian kepada masalah dimensi panjang lensa acuan terlalu ...
2025-08-15
Penyelesaian kepada masalah hujung pin, pengecutan pin dan patah udara terperangkap dalam ...
2025-08-11
Penyelesaian untuk pembakaran gas terperangkap, pengapit dawai permukaan dan gam tidak mencukupi saya ...
2025-09-03
Penyelesaian untuk serbuk getah dan calar sisi dalaman pada sprue mol ...
2025-09-02
Penyelesaian kepada ubah bentuk di kedudukan sprue acuan, kilat di ...
2025-08-14
Penyelesaian untuk jalur udara, charring, jamming kawat, ketinggian ketinggian atau terperangkap ...